| |
|
Мотор-редукторы 3МП-31,5; 3МП-40; 3МП-50; 3МП-63; 3МП-80; 3МП-100; 3МП-125
Мотор - редуктор планетарный предназначен
для снижения частоты вращения и передачи крутящего момента механизмам
общемашиностроительного назначения, (исключая механизмы для подъема
груза).
Мотор - редуктор предназначен для продолжительного
режима работы S1 по ГОСТ 183 (8-24 ч/сут) от сети переменного тока частотой
50 Гц или 60 Гц, номинальным напряжением 220 и 380 В в следующих условиях:
- нагрузка постоянная по значению, одного направления;
- вращение выходного вала - в любую сторону без предпочтительности;
- внешняя среда - неагрессивная, невзрывоопасная с содержанием непроводящей
пыли до 10 мг/м3;
- климатическое исполнение по ГОСТ 15150:
У - умеренный климат для категорий 2 и 3.
Категория размещения 2 - эксплуатация в помещениях, где колебания температуры
и влажности воздуха несущественно отличаются от колебаний на открытом
воздухе, рабочая температура окружающей среды от минус 10°С до плюс 45°С.
Категория размещения 3 - эксплуатация в помещениях, где колебания температуры
и влажности воздуха существенно меньше, чем на открытом воздухе, рабочая
температура окружающей среды от минус 45°С до плюс 40°С.
Т - тропический климат для категории 2.
УХЛ (умеренно-холодный климат) и О для категории 4 при работе на высоте
над уровнем моря до 1000 м. |
|
Пример
условного обозначения мотор-редуктора при заказе:
3МП-50-28-1,5-G110-Ц-У3
где: 3МП - тип мотор-редуктора;
50 - радиус расположения осей сателлитов, мм;
28 - номинальная частота вращения выходного вала, об/мин;
1,5 - мощность комплектующего электродвигателя, кВт;
G110 - конструктивное исполнение по способу монтажа;
Ц - вариант исполнения выходного вала;
У3 - климатические исполнения |
| |
Мотор-редукторы
планетарные тип 3МП |
| Основные
технические характеристики мотор-редукторов 3МП-25 - 3МП-50 |
| |
| n,
об/мин |
мотор-редуктор 3МП-25 |
мотор-редуктор 3МП-31,5 |
мотор-редуктор 3МП-40 |
мотор-редуктор 3МП-50 |
n,об/мин |
| Мкр, Н.м |
P, кВт |
Мкр, Н.м |
P, кВт |
Мкр, Н.м |
P, кВт |
Мкр, Н.м |
P, кВт |
| трехступенчатые |
| 3,55 |
90 |
0,12 |
230 |
0,18 |
375 |
0,18 |
459 |
0,18 |
3,55 |
| 638 |
0,25 |
| 4,4 |
90 |
0,12 |
230 |
0,18 |
371 |
0,18 |
750 |
0,37 |
4,4 |
| 515 |
0,25 |
| 5,6 |
90 |
0,12 |
230 |
0,18 |
375 |
0,25 |
750 |
0,55 |
5,6 |
| 598 |
0,37 |
| 7,1 |
90 |
0,12 |
230 |
0,25 |
375 |
0,37 |
702 |
0,55 |
7,1 |
| 472 |
0,37 |
| 9 |
90 |
0,12 |
230 |
0,25 |
372 |
0,37 |
750 |
0,75 |
9 |
| 554 |
0,55 |
| 12,5 |
87 |
0,12 |
181 |
0,25 |
375 |
0,55 |
750 |
1,1 |
12,5 |
| 543 |
0,75 |
| 16 |
68 |
0,12 |
209 |
0,37 |
311 |
0,55 |
623 |
1,1 |
16 |
| 425 |
0,75 |
|
мотор-редукторы двухступенчатые |
| 18 |
62 |
0,12 |
190 |
0,37 |
375 |
0,75 |
750 |
1,5 |
18 |
| 129 |
0,25 |
283 |
0,55 |
565 |
1,1 |
| 22,4 |
74 |
0,18 |
227 |
0,55 |
375 |
1,1 |
750 |
2,2 |
22,4 |
| 103 |
0,25 |
227 |
0,55 |
620 |
1,5 |
| 28 |
83 |
0,25 |
182 |
0,55 |
364 |
1,1 |
727 |
2,2 |
28 |
| 122 |
0,37 |
248 |
0,75 |
496 |
1,5 |
| 35,5 |
65 |
0,25 |
195 |
0,75 |
375 |
1,5 |
750 |
3 |
35,5 |
| 143 |
0,55 |
287 |
1,1 |
573 |
2,2 |
| 45 |
76 |
0,37 |
154 |
0,75 |
308 |
1,5 |
617 |
3 |
45 |
| 113 |
0,55 |
226 |
1,1 |
452 |
2,2 |
| 56 |
61 |
0,37 |
182 |
1,1 |
364 |
2,2 |
661 |
4 |
56 |
| 124 |
0,75 |
248 |
1,5 |
496 |
3 |
| 71 |
72 |
0,55 |
195 |
1,5 |
375 |
3 |
717 |
5,5 |
71 |
| 143 |
1,1 |
287 |
2,2 |
521 |
4 |
| 90 |
57 |
0,55 |
226 |
2,2 |
308 |
3 |
565 |
5,5 |
90 |
| 113 |
1,1 |
226 |
2,2 |
411 |
4 |
|
мотор-редукторы одноступенчатые |
| 112 |
63 |
0,75 |
186 |
2,2 |
337 |
4 |
633 |
7,5 |
112 |
| 127 |
1,5 |
253 |
3 |
464 |
5,5 |
| 140 |
74 |
1,1 |
202 |
3 |
371 |
5,5 |
742 |
11 |
140 |
| 148 |
2,2 |
270 |
4 |
506 |
7,5 |
| 180 |
79 |
1,5 |
210 |
4 |
375 |
7,5 |
750 |
15 |
180 |
| 115 |
2,2 |
289 |
5,5 |
577 |
11 |
| 224 |
63 |
1,5 |
169 |
4 |
316 |
7,5 |
633 |
15 |
224 |
| 127 |
3 |
232 |
5,5 |
464 |
11 |
| 280 |
74 |
2,2 |
186 |
5,5 |
371 |
11 |
506 |
15 |
280 |
| 135 |
4 |
253 |
7,5 |
371 |
11 |
|
n
- номинальная частота вращения выходного вала, об/мин;
Мкр - номинальный крутящий момент на выходном валу, Н.м;
P - мощность комплектующего электродвигателя, кВт.
|
|
|
|
|
Основные
технические характеристики мотор-редукторов 3МП-63 - 3МП-125 |
| |
| n, об/мин |
мотор-редуктор
3МП-63 |
мотор-редуктор
3МП-80 |
мотор-редуктор
3МП-100 |
мотор-редуктор
3МП-125 |
n,об/мин |
| Мкр, Н.м |
P, кВт |
Мкр, Н.м |
P, кВт |
Мкр, Н.м |
P, кВт |
Мкр, Н.м |
P, кВт |
мотор-редукторы трехступенчатые |
| 3,55 |
944 |
0,37 |
1914 |
0,75 |
3827 |
1,5 |
7655 |
3 |
3,55 |
| 1403 |
0,55 |
2807 |
1,1 |
5614 |
2,2 |
| 4,4 |
762 |
0,37 |
1544 |
0,75 |
3088 |
1,5 |
6176 |
3 |
4,4 |
| 1132 |
0,55 |
2265 |
1,1 |
4529 |
2,2 |
| 5,6 |
890 |
0,55 |
1779 |
1,1 |
3559 |
2,2 |
6470 |
4 |
5,6 |
| 1213 |
0,75 |
2426 |
1,5 |
4853 |
3 |
| 7,1 |
957 |
0,75 |
1914 |
1,5 |
3827 |
3 |
7017 |
5,5 |
7,1 |
| 1403 |
1,1 |
2807 |
2,2 |
5103 |
4 |
| 9 |
1107 |
1,1 |
2214 |
2,2 |
4026 |
4 |
7549 |
7,5 |
9 |
| 1510 |
1,5 |
3019 |
3 |
5536 |
5,5 |
| 12,5 |
1087 |
1,5 |
2174 |
3 |
3986 |
5,5 |
7971 |
11 |
12,5 |
| 1594 |
2,2 |
2899 |
4 |
5435 |
7,5 |
| 16 |
849 |
1,5 |
1698 |
3 |
3114 |
5,5 |
6228 |
11 |
16 |
| 1246 |
2,2 |
2265 |
4 |
4246 |
7,5 |
|
|
| мотор-редукторы двухступенчатые |
| 18 |
1131 |
2,2 |
2056 |
4 |
3855 |
7,5 |
7711 |
15 |
18 |
| 1542 |
3 |
2827 |
5,5 |
5655 |
11 |
| 22,4 |
1239 |
3,0 |
2272 |
5,5 |
4544 |
11 |
9088 |
22 |
22,4 |
| 1652 |
4 |
3098 |
7,5 |
6196 |
15 |
| 28 |
991 |
3,0 |
1818 |
5,5 |
3635 |
11 |
7270 |
22 |
28 |
| 1322 |
4 |
2478 |
7,5 |
4957 |
15 |
| 35,5 |
1043 |
4,0 |
1955 |
7,5 |
3910 |
15 |
7819 |
30 |
35,5 |
| 1434 |
5,5 |
2867 |
11 |
5734 |
22 |
| 45 |
1131 |
5,5 |
2262 |
11 |
4524 |
22 |
9253 |
45 |
45 |
| 1542 |
7,5 |
3084 |
15 |
6169 |
30 |
| 56 |
909 |
5,5 |
1818 |
11 |
3635 |
22 |
7435 |
45 |
56 |
| 1239 |
7,5 |
2478 |
15 |
4957 |
30 |
| 71 |
977 |
7,5 |
1955 |
15 |
3910 |
30 |
7168 |
55 |
71 |
| 1434 |
11 |
2867 |
22 |
5865 |
45 |
| 90 |
771 |
7,5 |
1542 |
15 |
3084 |
30 |
5655 |
55 |
90 |
| 1131 |
11 |
2262 |
22 |
4627 |
45 |
|
|
мотор-редукторы одноступенчатые |
| 112 |
1265 |
15,0 |
1856 |
22 |
3796 |
45 |
7592 |
90 |
112 |
| 1561 |
18,5 |
3121 |
37 |
6327 |
75 |
| 140 |
1012 |
15,0 |
2025 |
30 |
3712 |
55 |
6074 |
90 |
140 |
| 1485 |
22 |
3037 |
45 |
5061 |
75 |
| 180 |
1155 |
22,0 |
1942 |
37 |
3937 |
75 |
6928 |
132 |
180 |
| 1575 |
30 |
2887 |
55 |
5774 |
110 |
| 224 |
1265 |
30,0 |
1898 |
45 |
3796 |
90 |
5567 |
132 |
224 |
| 1561 |
37 |
3163 |
75 |
4640 |
110 |
| 280 |
1012 |
30,0 |
1518 |
45 |
3037 |
90 |
4454 |
132 |
280 |
| 1248 |
37 |
2531 |
75 |
3712 |
110 |
|
|
Габаритные и присоединительные
размеры мотор-редукторов 3МП на лапах, мм. |
|
Обозначение
мотор-редуктора |
Частота вращения
выходноговала, об/мин |
L |
B |
H |
L1 |
L2 |
B1 |
B2 |
H1 |
H2 |
H3 |
d |
| Не более |
мотор
редуктор 3МП-25 |
3,55…16 |
397 |
150 |
160 |
63 |
110 |
120 |
150 |
80 |
12 |
|
12 |
| 18…90 |
417 |
160 |
171 |
|
| 112…280 |
478 |
200 |
205 |
20 |
мотор
редуктор 3МП-31,5 |
3,55…16 |
460 |
190 |
215 |
82 |
130 |
155 |
190 |
100 |
15 |
|
15 |
| 18…90 |
510 |
200 |
225 |
|
| 112…280 |
590 |
250 |
247 |
25 |
мотор
редуктор 3МП-40 |
3,55…16 |
500 |
224 |
247 |
110 |
170 |
180 |
220 |
112 |
20 |
|
20 |
| 18…90 |
625 |
250 |
247 |
|
| 112…280 |
725 |
350 |
305 |
63 |
мотор
редуктор 3МП-50 |
3,55…16 |
637 |
270 |
295 |
145 |
210 |
220 |
265 |
132 |
22 |
|
22 |
| 18…90 |
682 |
270 |
295 |
|
| 112…280 |
925 |
350 |
360 |
43 |
мотор
редуктор 3МП-63 |
3,55…16 |
652 |
350 |
345 |
110 |
140 |
260 |
325 |
160 |
32 |
|
24 |
| 18…90 |
741 |
350 |
345 |
|
| 112…280 |
960 |
400 |
440 |
|
мотор
редуктор 3МП-80 |
3,55…16 |
810 |
380 |
400 |
175 |
325 |
320 |
380 |
200 |
40 |
|
35 |
| 18…90 |
915 |
380 |
420 |
|
| 112…280 |
1240 |
550 |
510 |
75 |
мотор
редуктор 3МП-100 |
3,55…16 |
850 |
415 |
420 |
200 |
340 |
340 |
415 |
235 |
40 |
|
35 |
| 18…90 |
1080 |
415 |
485 |
|
| 112…280 |
1305 |
550 |
570 |
40 |
мотор
редуктор 3МП-125 |
3,55…16 |
1070 |
500 |
540 |
270 |
380 |
400 |
500 |
275 |
50 |
|
42 |
| 18…90 |
1360 |
535 |
570 |
|
| 112…280 |
1415 |
590 |
630 |
20 |
|
|
Габаритные и присоединительные
размеры мотор-редукторов 3МП на фланце, мм. |
| |
Обозначение
мотор-редуктора |
Частота вращения
выходного вала, об/мин |
L |
B |
L3 |
L4 |
L5 |
D |
D1 |
D2 |
d1 |
n |
| Не более |
мотор
редуктор 3МП-25 |
3,55…16 |
397 |
150 |
4 |
10 |
50 |
155 |
110 |
130 |
12 |
4 |
| 18…90 |
417 |
160 |
| 112…280 |
478 |
200 |
мотор
редуктор 3МП-31,5 |
3,55…16 |
460 |
190 |
5 |
12 |
68 |
180 |
130 |
155 |
12 |
6 |
| 18…90 |
510 |
200 |
| 112…280 |
590 |
250 |
мотор
редуктор 3МП-40 |
3,55…16 |
500 |
224 |
6 |
16 |
90 |
200 |
130 |
165 |
15 |
6 |
| 18…90 |
625 |
250 |
| 112…280 |
725 |
350 |
мотор
редуктор 3МП-50 |
3,55…16 |
637 |
270 |
8 |
18 |
124 |
250 |
180 |
215 |
17 |
6 |
| 18…90 |
682 |
270 |
| 112…280 |
925 |
350 |
мотор
редуктор 3МП-63 |
3,55…16 |
652 |
350 |
8 |
20 |
124 |
300 |
230 |
265 |
19 |
6 |
| 18…90 |
741 |
350 |
| 112…280 |
960 |
400 |
мотор
редуктор 3МП-80 |
3,55…16 |
810 |
400 |
10 |
22 |
152 |
400 |
320 |
350 |
22 |
6 |
| 18…90 |
915 |
400 |
| 112…280 |
1240 |
550 |
мотор
редуктор 3МП-100 |
3,55…16 |
850 |
500 |
14 |
28 |
180 |
500 |
400 |
450 |
22 |
8 |
| 18…90 |
1080 |
500 |
| 112…280 |
1305 |
550 |
мотор
редуктор 3МП-125 |
3,55…16 |
1070 |
600 |
18 |
35 |
245 |
600 |
480 |
540 |
26 |
8 |
| 18…90 |
1360 |
600 |
| 112…280 |
1415 |
600 |
|
|
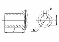
Исполнение и габаритные размеры выходных валов
|
|

Размеры цилиндрических валов |
Мотор-редуктор |
d |
l |
b |
t |
3МП-25 |
25k6 |
42 |
8 |
28 |
3МП-31,5 |
28k6 |
60 |
8 |
31 |
3МП-40 |
35k6 |
80 |
10 |
38 |
3МП-50 |
45k6 |
110 |
14 |
48,5 |
3МП-63 |
55k6 |
110 |
16 |
59 |
3МП-80 |
70k6 |
140 |
20 |
74,5 |
3МП-100 |
80k6 |
160 |
22 |
85 |
3МП-125 |
110k6 |
220 |
28 |
116 |
|
|
|

Размеры конических валов |
Мотор-редуктор |
d |
d1 |
l |
l1 |
b |
t |
3МП-25 |
25 |
М16х1,5 |
60 |
42 |
5 |
13,45 |
3МП-31,5 |
28 |
М16х1,5 |
60 |
42 |
5 |
14,95 |
3МП-40 |
35 |
М20х1,5 |
80 |
58 |
6 |
18,55 |
3МП-50 |
45 |
М30х2,0 |
110 |
82 |
12 |
23,45 |
3МП-63 |
55 |
М36х3,0 |
110 |
82 |
14 |
28,95 |
3МП-80 |
70 |
М48х3,0 |
140 |
105 |
18 |
36,38 |
3МП-100 |
80 |
М56х4,0 |
170 |
130 |
20 |
41,25 |
3МП-125 |
110 |
М80х4,0 |
210 |
165 |
25 |
55,88 |
|
|
|

Размеры полых валов |
Мотор-редуктор |
d |
l |
b |
t |
3МП-25 |
по индивидуальному заказу |
3МП-31,5 |
25Н7 |
55 |
8 |
28,1 |
3МП-40 |
30Н7 |
70 |
8 |
33,1 |
3МП-50 |
40Н7 |
80 |
12 |
43,3 |
3МП-63 |
по индивидуальному заказу |
3МП-80 |
по индивидуальному заказу |
3МП-100 |
по индивидуальному заказу |
3МП-125 |
по индивидуальному заказу |
|
|
| Конструктивное
исполнение по способу монтажа мотор-редукторов 3МП |
|
| |
перейти в каталог |
прайс-листы |
|
|